Product Details

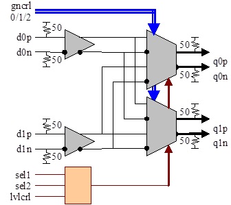
Fig. 1 Functional Block Diagram
The temperature stable ASNT6162-KMM linear non-blocking cross-switch is intended for use in high-speed systems. The IC shown in Fig. 1 can deliver two different broad-band analog differential signals d0p/d0n and d1p/d1 to two differential outputs q0p/q0n and q1p/q1n with a nominal gain of 0dB. The gain can be fine-tuned using the 3-pin control port gncrl0/1/2 with accuracy of 0.5dB as shown in Table 1.
|
gncrl2 |
gncrl1 |
gncrl0 |
Gain, dB |
|
0 |
0 |
0 |
-1.0 |
|
0 |
0 |
1 |
-0.5 |
|
0 |
1 |
0 |
-0.5 |
|
0 |
1 |
1 |
0 (default state) |
|
1 |
0 |
0 |
0.5 |
|
1 |
0 |
1 |
0.5 |
|
1 |
1 |
0 |
1.0 |
|
1 |
1 |
1 |
1.0 |
Table 1. Gain Control
The assignment of inputs to outputs is performed through the external high-speed dual port sel1/sel2 that can be referenced to either vcc or vee depending on the state of the single-ended control signal lvlcrl. The assignment logic is shown in Table 2.
|
sel1 |
sel0 |
Input connected to q0 |
Input connected to q1 |
|
0 |
0 |
d0 |
d0 (default state) |
|
0 |
1 |
d1 |
d0 |
|
1 |
0 |
d0 |
d1 |
|
1 |
1 |
d1 |
d1 |
Table 2. Channel Selection
The part’s I/Os support CML-type differential interface with on-chip 50Ohm termination to vcc, and may be used differentially, AC/DC coupled, single-ended, or in any combination (see POWER SUPPLY CONFIGURATION). In the DC-coupling mode, the input signal’s common mode voltage should comply with the specifications shown in ELECTRICAL CHARACTERISTICS. In the AC-coupling mode, the input termination provides the required common mode voltage automatically. The differential DC signaling mode is recommended for optimal performance. In particular, the specified output common-mode voltage level is guaranteed only in case of external single-ended 50Ohm DC termination to vcc.